首页
亮哥作品
设计bim
造价bim
bim大赛
造价老电工
造价老电工
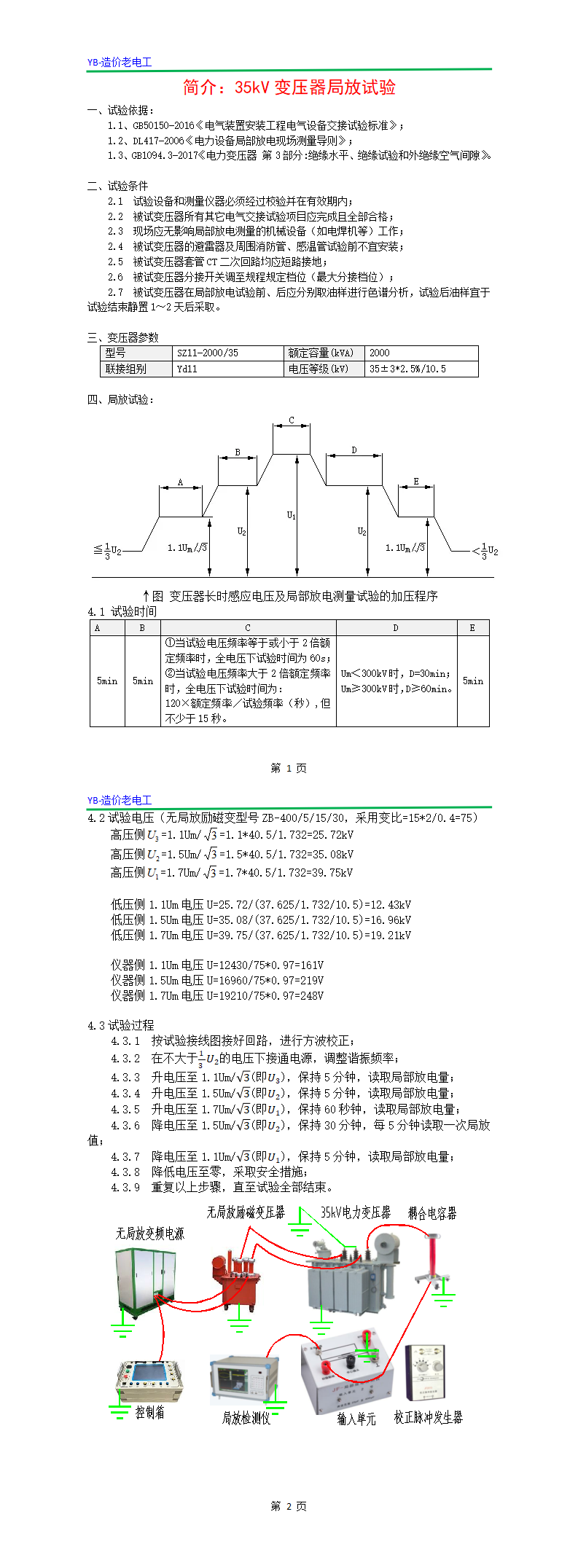
简介:35kV变压器局放试验